
PM 35永磁直流減速步進電機的技術參數General Specification
項目Item | 規格Specifications |
步距角精度Step Angle Accuracy | ± 10% (full step, no load) |
電阻精度Resistance Accuracy | ± 10% |
電感精度Inductance Accuracy | ± 20% |
溫升Temperature Rise | 80°C Max. (rated current, 2 phase on) |
環境溫度Ambient Temperature | - 10°C ~ +50°C |
絕緣等級Insulation Class | B |
介電強度Dielectric Strength | 500 VAC for one minute |
PM 35永磁直流減速步進電機的技術規格 Technique Specifications
型號 Model No. | 電壓 Rated Voltage | Mo.of Phase | 電阻 Resistance | Step Angle | 減速比Ratio | 起動頻率 Starting Frequency | 運行力矩 Pulling Torque(at 100pps) | 定位力矩 Detent Torque |
V | W | deg | PPS | g-cm | g-cm | |||
35BYS49J04 | 12 | 2 | 38 | 7.5/4.16 | 1:4.167 | ≥350 | ≥200 | ≤150 |
35BYS49J06 | 12 | 4 | 30 | 7.5/4.16 | 1:4.167 | ≥400 | ≥250 | ≤150 |
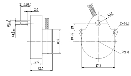
PM 35永磁直流減速步進電機的機械尺寸Dimensions(Unit=mm)

PM 35永磁直流減速步進電機的繞線圖Wiring Diagram

立即咨詢