閉環高速步進電機的接線圖_閉環高速步進電機的接線方式以及原理電路圖
2019-09-30
閉環高速步進電機有優勢在于,編程簡單,接線少,故障也少,扭力大,但國內,閉環高速步進電機通常情況都能達到600轉。有些客戶可能需要更好一點的轉速,那么此時選擇閉環閉環高速步進電機是一個非常好的選擇(zui好在1200轉以下)
閉環高速步進電機有優勢在于,編程簡單,接線少,故障也少,扭力大,但國內,閉環高速步進電機通常情況都能達到600轉。有些客戶可能需要更好一點的轉速,那么此時選擇閉環閉環高速步進電機是一個非常好的選擇(zui好在1200轉以下)
1:低發熱(靜止時,電流幾乎為零,無發熱)
2:平滑(基于反饋編碼器的空間矢量電流控制算法和矢量平滑濾波技術,對困擾傳統閉環高速步進電機的低頻共振有很好的抵制作用)
3:高速響應(先進的伺服控制技術提供了大力矩輸出,使得系統具有極高動態響應,步進伺服速度可到600-2000RPM)
4:適用行業:點膠機/木工機/焊接機/螺絲機/拉鏈機/繞線機/貼片機/包裝機/雕刻機/激光機/LED/電子設備
精博電機42閉環高速步進電機的接線圖常規有兩種接線方法:參照如下:


驅動器HBS57 是本公司基于十幾年步進與伺服研發經驗,開發成功的一款新型閉環閉環高速步進電機驅動器, 采用zui新專用電機控制雙核DSP 芯片和應用矢量型閉環控制算法,從而徹底克服了開環高速步進電機丟步的問題,同時也能明顯提升電機的高速性能、降低電機的發熱程度和減小電機的高中低速振動,從而提升機器的加工速度和精度以及降低機器的能耗。此外,在電機連續過載時,驅動器會輸出報警信號,具有與交流伺服系統同樣的可靠性。 當然電機安裝尺寸與傳統的二相42-57系列閉環高速步進電機完全兼容,傳統步進驅動方案極易升級,并且成本相比開環高速步進電機增加不多,僅相當于傳統交流伺服系統的 30-50%。
閉環閉環高速步進電機線序一定不能接錯,否則就會轉速異常
42閉環39EBP50ALC-TF0,0.15NM閉環高速步進電機驅動器套裝及配套驅動器HBS57,高性價比,DC20-70V供電(帶57電機建議DC24V),配套1000線編碼器,高速響應好,廣泛應用于雕刻機,需要高速高力矩的場合。

42閉環42EBP79ALC-TF0,0.65NM閉環高速步進電機驅動器套裝及配套驅動器HBS57,高性價比,DC20-70V供電(帶57電機建議DC24V),配套1000線編碼器,高速響應好,廣泛應用于雕刻機,需要高速高力矩的場合。配套驅動HBS57A采用了1000p/r高精度光學編碼器。區別于傳統的內部微細分步進驅動器,系統內部的高性能雙核數字信號處理器(DSP),使用矢量控制和濾波技術,以zui低次諧波達到平穩的旋轉控制。

閉環高速步進電機接線方法,閉環高速步進電機接線圖
很多小伙伴剛接觸閉環高速步進電機,閉環高速步進電機驅動器,很有可能對于閉環高速步進電機接線方法和閉環高速步進電機接線圖弄不明白,所以可能無從下手。下面這張豆腐塊文章讓您快速掌握閉環高速步進電機的接線方法,很快看懂步進接線圖。
首先,我們來看看連接閉環高速步進電機接線方法。
其次,連接閉環高速步進電機驅動器的電源,假如在我們的閉環高速步進電機使用直流24V供電可以與表控共用一個開關電源來供電。
然后,來看一下連接閉環高速步進電機驅動器與表控的控制接線:
1、將閉環高速步進電機驅動器脈沖輸入信號和方向輸入信號的正極連接到表控的5V端子。
2、將閉環高速步進電機驅動器脈沖輸入信號的負端連接到表控的Y1輸出端子上。
3、將閉環高速步進電機驅動器方向輸入信號的負端連接到表控的Y2輸出端子上。
4、接下來就是設置閉環高速步進電機驅動器的細分,一般可以放在8(1600)左右,通過初步調試后設置實際需要的細分。

5、設置閉環高速步進電機的正轉設置,參考設置,一行實現正轉。X1是正轉的啟動開關。
6、閉環高速步進電機反轉的設置:X2是反向啟動開關,Y1輸出脈沖,Y2輸出方向信號。兩行實現反轉動作。
上面簡單的描述了閉環高速步進電機接線和最基本的設置方法,一般情況保證接線正確,但是要特別注意的是電源的極性,設置正確就可以正常運行。假如看了上面還不清楚閉環高速步進電機接線方法,您可以來電咨詢精博電機,專業的工程師全程為您提供解答最詳細的閉環高速步進電機接線方法。
接線圖
閉環高速步進電機接線圖
▼

二相混合式步進電機接線圖
▼



三相混合式步進電機驅動器
▼

四相混合式步進電機接線圖
▼

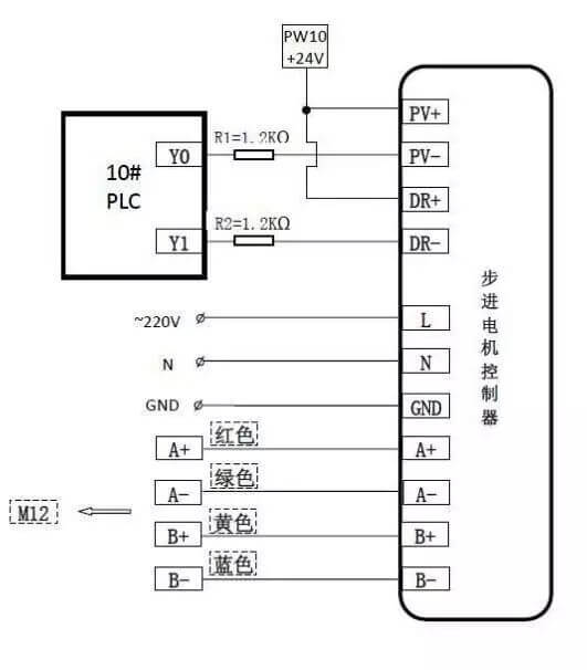
三菱PLC與閉環高速步進電機驅動器的接線圖
▼

伺服系統的輸進信號接線圖
▼

控制原理圖片
電機控制原理圖
▼

H橋恒頻斬恒相流驅動電路原理框圖
▼

電流PWM細分驅動電路示意圖
▼

單極性驅動原理圖
▼

雙極性驅動原理圖
▼

閉環高速步進電機微步驅動電路基本結構
▼

閉環高速步進電機矢量控制位置伺服系統
▼

閉環高速步進電機的閉環伺服控制系統
▼
