三相混合式步進電機細分器驅動原理
2019-10-15
文中依據正弦電流量細分化驅動器的基本原理,設計方案出三相混合式步進電機細分器驅動控制器,系統軟件選用電流量追蹤和脈寬調制技術性,使三相混合式步進電機的相電流為位置相距120°的正弦波形,輸出功率光耦電路選用六只MOS管。該控制器處理了傳統式三相混合式步進電機低速檔震動大、有共震區、噪聲大等缺陷,提升了步距角像素和控制器的可信性。
摘 要:文中依據正弦電流量細分化驅動器的基本原理,設計方案出三相混合式步進電機細分器驅動控制器,系統軟件選用電流量追蹤和脈寬調制技術性,使三相混合式步進電機的相電流為位置相距120°的正弦波形,輸出功率光耦電路選用六只MOS管。該控制器處理了傳統式三相混合式步進電機低速檔震動大、有共震區、噪聲大等缺陷,提升了步距角像素和控制器的可信性。
關鍵字:三相混合式步進電機;細分化驅動器;SVPWM
1 序言
三相混合式步進電機是這種開環步進電機內分泌系統實行元器件,以單脈沖方法開展操縱,輸出角位移。與直流步進電機及直流步進電機對比,其突顯優勢就是說質優價廉,而且無累積偏差。可是,步進電機運作存有很多存在的不足,如低頻振蕩、噪音大、像素不高等學校,又比較嚴重牽制了步進電機的運用范疇。步進電機的運作特性與它的控制器有緊密的聯絡,能夠根據驅動器技術性的改善來擺脫步進電機的缺陷。相對性于別的的驅動器方法,細分化驅動器方法不但能夠減少步進電機的步距角,提升像素,并且能夠降低或清除高頻震動,使電動機運作更為穩定勻稱。總的來說,細分化驅動器的操縱實際效果最(zui)好是。由于常見中低端步進電機步進控制系統沒有步進電機意見反饋,因此隨之電動機速率的上升其內控制度電流量相對減少,進而導致丟步狀況。因此在速率和精密度規定太低的行業,其運用十分普遍。
由于三相混合式步進電機比二相混合式步進電機有更強的低速檔單位根檢驗及輸出扭矩,因此三相混合式步進電機比二相混合式步進電機有更強運用市場前景。傳統式的三相混合式步進電機控制方式全是以硬件配置比較器進行,文中關鍵敘述應用DSP及室內空間矢量素材優化算法SVPWM來保持三相混合式步進電機控制。
2 細分化基本原理
三相混合式步進電機的細分化操縱從實質上講是根據對步進電機的電機定子繞阻中電流量的操縱,使步進電機內部的生成電磁場按某類規定轉變,從而實現步進電機步距角的細分化。最(zui)好的細分化方法是恒轉距等步距角的細分化。通常狀況下,生成電磁場矢量素材的幅度值決策了電動機轉動扭矩的尺寸,鄰近兩生成電磁場矢量素材的中間的交角尺寸決策了步距角的尺寸。在電動機內造成貼近勻稱的環形旋轉磁場,各相繞阻的生成電磁場矢量素材,即各相繞阻電流量的生成矢量素材應在室內空間作幅度值穩定的轉動健身運動,這就必須在各相繞看中通以正弦電流量。
三相混合式步進電機的原理非常類似溝通交流永磁同歩交流步進電機。其電機轉子上常用永磁磁石一樣是具備高磁密特點的永磁材料原材料,因此在電機轉子上造成的感應電流對電機轉子電磁場的危害可忽略。結構類型,它等于這種多極多數的溝通交流永磁同步電機。因為鍵入是三相電正弦電流量,因而造成的室內空間電磁場正圓形遍布,并且能夠用永磁式同步電機的構造實體模型(圖1)剖析三相混合式步進電機的轉距特點。
為有利于剖析,可做以下假定:
a.電機定子三相電繞阻徹底對稱性;
b.磁飽和狀態、渦旋及鐵芯耗損忽略;
c.勵磁電流電流量無動態性沒有響應全過程。

圖1 三相混合式步進電機的簡易構造實體模型
U、V、W 為電機定子上的3 個電磁線圈繞阻,3 個電磁線圈繞阻的中(zhong)心線成 120°。電動機單相電繞阻插電的那時候,穩態轉距能夠表述為:T=f(i,theta) 。在其中,i 為繞阻中根據的電流量;theta為發電機轉子偏移機床坐標系的視角。因為磁飽和狀態效用能夠忽略,而且電機轉子構造是環形,其矩角特點為嚴苛的正弦。
即:T=k *I*sin(theta),k 為轉距常數
若理想化的電流源以恒幅度值為I 的三相電均衡電流量iU、iV、iW 供求平衡電動機繞阻,
即:
iU=I*sin(wt)
iV=I*sin(wt+2*PI/3)
iW=I*sin(wt+4*PI/3)
則三相混合式步進電機各相電流造成的穩態轉距為:
TU=k*I*sin(wt)*sin(theta)
TV=k*I*sin(wt+2*PI/3)*sin(theta+2*PI/3)
TW=k*I*sin(wt+4*PI/3)*sin(theta+4*PI/3)
穩態運作時,theta=wt,則三相電繞阻造成的生成轉距為:
T=TU+TV+TW=3/2*k*I*sin(PI/2-wt+theta)=3/2*k*I
左右分析表明,針對三相混合式步進電機,當三相電繞阻鍵入相距 120°的正弦電流量時,因為在內部造成環形旋轉磁場,電動機的輸出轉距為恒值。因而,將溝通交流步進電機操縱基本原理運用到三相混合式步進電機驅動器系統軟件中,鍵入的220V 溝通交流,經整流器后轉為直流電,再經脈寬調制技術性轉為上中下路階梯性正弦波形電流量,他們按固定不動時序各自穿過上中下路繞阻,其每一臺階相匹配電動機旋轉一歩。根據更改控制器輸出正弦電流量的頻率來更改電機額定功率,而輸出的臺階數明確了每一個掉轉的視角,當視角越小的那時候,那麼其臺階數越多多,即細分化越多大,從基礎理論上說此視角能夠設得充足的小,因此細成績能夠是挺大,而溝通交流步進電機操縱的每一個視角與意見反饋的步進電機的精密度有挺大的關聯,通常應用的為2500線,因此每步掉轉的視角僅為0.144度,而此方式操縱的步進電機,例如其細成績為10000,則每步掉轉的視角為0.036度,因此比通常的步進電機線性度高許多。或許,步進電機旋轉時,電動機各相繞阻的電感器將產生1個反方向電動勢,頻率越高,反方向電動勢越大。在它的功效下,電動機隨頻率(或速率)的擴大而相電流減少,可能會導致扭矩降低,根據恒流方法能夠使在電動機高頻和高頻率時維持一樣的相電流進而使高頻率的扭矩特點明顯改善,這只有是在低速檔時,因此其綜合型能(高低速檔噪音,髙速扭矩,髙速單位根檢驗等)沒辦法迎頭趕上溝通交流工業機械手。

圖2 得出相距120°的三相電階梯性正弦電流量
三相混合式步進電機通常把三相電繞阻組合成星型或是三邊形,依照電源電路基礎定律,三相電流相加為零。即IU+IV+IW =0 。因此一般只需造成兩相繞阻的給出數據信號,最(zui)后相繞阻的給出數據信號可由其他兩相求取。一樣,只必須對相對兩相繞阻的具體電流量開展取樣,最(zui)后相繞阻的具體電流量可依據式求取。
3 三相混合式步進電機控制器的系統軟件組成
控制器的整體方案如圖所示3 圖示,包括單片機設計電源電路、電流量跟蹤型SPWM 電源電路和輸出功率光耦電路構成。

圖3 控制器的總體框圖
3.1 DSP控制模塊設計方案
這里,人們挑選了TI企業的DSP做為CPU集成ic,DSP(Digital Signal Processor)事實上都是這種單片機設計,它一樣是將中(zhong)央政府處理單元、控操縱模塊和外部設備集成化到一塊兒集成ic上。但它又有本身獨特的特性——由于選用了多個系統總線技術性保持并行處理運作的機體制,進而進一步提高了與運算速率,具備更強的與運算工作能力和更強的實用性。文中采用的DSP(TMS320LF2407A)是一個電機控制專用型集成ic,144腳位,具備豐富多彩的IO資源,帶有4個通用性計時器,具備兩路口專用型于操縱三相電機的PWM超聲波發生器(可造成六路PWM數據信號),另一個也有專用型接受外界單脈沖和方位的I/O口,進而簡單化了電路原理和軟件開發。
DSP鍵入數據信號包含步進電機差分信號CP、方位操縱數據信號、離線數據信號, 過電流保護數據信號。這幾類數據信號均根據高速光耦聯接到DSP的腳位上,另一個也有細分化計步及電流量挑選數據信號。當離線數據信號為合理時,控制器輸出到電動機的電流量被斷開,發電機轉子處在隨意情況(脫機狀態)。意見反饋電流量根據DSP內置的的10 位模數轉換器(AD)取樣,意見反饋的電流量根據必須的優化算法后,由DSP內置的PWM口輸出操縱三相混合式步進電機。
3.2 電流量跟蹤型控制回路
這類傳輸方式以仿真模擬工作電壓的幅度值意味著取樣電流量或是工作電壓的尺寸,其關鍵用于取樣a,b兩相電流及母相電壓檢驗,保持電動機電流量操縱及其過電壓、欠壓、過電流保護。控制器根據采樣電阻檢驗步進電機繞阻的具體電流量,與設置電流量相較為后歷經滯環比較器控制器,控制器輸出數據信號由20KHz 頻率的三角波載波輸出,產生脈寬調制數據信號(PWM),根據輸出功率驅動器接口電路來操縱功率集成電路工藝的通斷與關閉,使三相混合式步進電機的繞阻具體電流量追蹤給出參照數據信號,按給出的正弦規律性轉變。
3.3 輸出功率光耦電路
控制器的主控制回路選用交-直-交工作電壓型逆變電源方式,由整流器濾波電路、三相電逆變電源及其步進電機等構成。整流器濾波電路組成交流電壓源,進行220V、50Hz 交流電到直流穩壓電源的轉換。逆變電源保持從交流電到直流變頻變壓交流電流的變換,為三相混合式步進電機的電機定子繞阻出示規定的交流電壓。逆變電源由仙童公司生產制造的六只G30N60B3DMOS管構成,組成三相電逆變電源橋。控制器選用二只電阻檢測步進電機相電流的瞬時值。
輸出功率光耦電路的關鍵是輸出功率控制模塊(MOS管)。MOS管 與電流量跟蹤型PWM 輸出中間務必根據專用型高速光耦聯接。依據MOS管的過流值和電動機谷值線電流量來采用適合的MOS管,即三相混合式步進電機的線電流量的谷值低于MOS管的較大電流。本設計方案中電動機較大相電流為8.1A,該電流量是相電流的有效值,谷值相電流為8.1* sqrt(2) = 11.312A 。除此之外,三相混合式步進電機繞阻在三角形接法時,線電流量是相電流的3 倍,因此線電流量谷值為19.6A。由G30N60B3DPDF文本文檔知,其最(zui)大流數值30A,故能夠確保一切正常應用,一切正常工作標準適度的熱管散熱設計方案確保內部結溫終究低于150攝氏,因而要另加熱管散熱器并強制性風冷式,以確保MOS管一切正常工作中。
3.4并口通信:
為了防止在操縱全過程中停電了或是其他非常緣故掉電時導致損害,應用感應起電RAM儲存電動機部位,確保撥電話后鋼件可再次進行生產加工。并口RAM比傳統式應用的E2ROM速率傳送迅速更靠譜,可更合理的紀錄電動機運作情況,但占有CPU的I/O口較多,這兒CPU有充足的資源能夠應用。
3.5 監控軟件步驟
主程序流程圖

中斷一部分的流程圖

為降低功率和維護電機,設定了全自動半流作用,它由滯環比較器全自動開展調整。
4 三相混合式步進電機控制器介紹
3HB0822M是一個以精準正弦波形電流量輸出操縱三相混合式步進電機的控制器,驅動器工作電壓范疇110V-220V均可,合適直徑為110、130、150系列產品、驅動電流在10A下列的全部三相混合式步進電機,具備停電了位置記憶力作用,三相混合式步進電機控制器控制面板上的8位撥動開關能夠輕輕松松的保持對不一樣步進電機電流量及不一樣細分化計步的精準操縱(獨特的電流量和細分化設定,可按客戶規定訂制),鍵入數據信號都歷經光學防護,具備較強的抗干擾性,能融入極端自然環境工作中。此外,這款三相混合式步進電機控制器驅動器的步進電機能在很寬的頻率范圍之內維持步進電機較大輸出轉距不會改變,運作穩定,噪聲極低,特別適合大扭距且髙速工作中的場所。
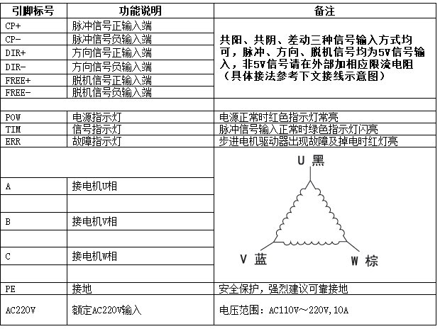
5 三相混合式步進電機控制器腳位布線圖

6 三相混合式步進電機控制器的單/雙單脈沖、相電流、細成績設置:
警示:撥動開關調在“ON”部位時為“1”; 要求可依據客戶訂制。
三相混合式步進電機控制器的單/雙單脈沖方式設置:

三相混合式步進電機控制器相電流設置:

三相混合式步進電機控制器細分化拍數設置:
步進電機控制器細分化設置后步進電機每運作整圈需要的脈沖數相當于電動機自身 的齒數乘于細分化拍數。(注:通常電動機均為50個齒)
比如:步進電機自身 齒數為50,細成績設置為12,則這時步進電機運作整圈的脈沖數為:50*12=600個,步距夾角:360°/600=0.6°
比如:步進電機自身 齒數為50,細成績設置為40,則這時步進電機運作整圈的脈沖數為:50*40=2000個,步距夾角:360°/2000=0.18°

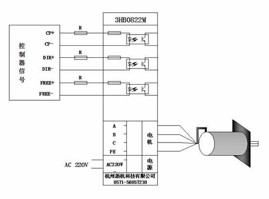
7 三相混合式步進電機控制器硬件配置聯接


8 結論
實踐經驗文中所說的驅動器方式 其適應能力很強,大部分能夠融入全部的三相混合式步進電機。非常對三相電繞阻星形接法,高頻時運作穩定,無震蕩,合理地抑止了震蕩、噪音。另一個,控制器內部設計方案多種多樣維護電源電路,使全部控制器的可信性進一步提高。