
技術參數General Specification
項目Item | 規格Specifications |
步距角精度Step Angle Accuracy | ± 5% (full step, no load) |
電阻精度Resistance Accuracy | ± 10% |
電感精度Inductance Accuracy | ± 20% |
溫升Temperature Rise | 80°C Max. (rated current, 2 phase on) |
環境溫度Ambient Temperature | - 10°C ~ +50°C |
絕緣等級Insulation Class | B |
介電強度Dielectric Strength | 500 VAC for one minute |
型號 Model No. | 電壓 Rated Voltage | 電流 Current | 電阻 Resistance | 電感 Inductance | 最大靜力矩 Holding Torque | 引出線 # of Leads | 轉動慣量 Rotor Inertia | 重量 Weight | 機身長度 Length |
V | A | Ω | mH | Kg-cm | g-cm2 | Kg | mm | ||
42BYGHN1652-L-J | 12 | 0.4 | 30 | 27 | 2.2 | 4 | 38 | 0.2 | 34 |
42BYGHN2255-L-J | 12 | 0.4 | 30 | 30 | 2.6 | 6 | 55 | 0.24 | 40 |
42BYGHN22103-L-J | 3 | 1.2 | 2.5 | 5.5 | 4.0 | 4 | 55 | 0.24 | 40 |
42BYGHN22138-L-J | 2.6 | 2 | 1.3 | 2.2 | 4.3 | 4 | 55 | 0.24 | 40 |
42BYGHN3034-L-J | 2.8 | 2 | 1.4 | 3.0 | 5.9 | 4 | 80 | 0.32 | 48 |
42BYGHN3087-L-J | 1.76 | 2.8 | 0.63 | 1.4 | 4.8 | 4 | 80 | 0.32 | 48 |
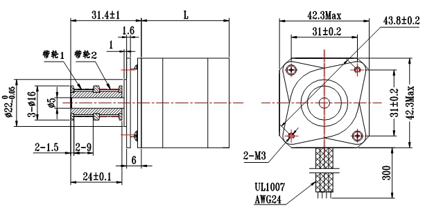
機械尺寸Dimensions(Unit=mm)

繞線圖Wiring Diagram

立即咨詢