
0.9° 42系列二相混合式步進電機的技術參數General Specification
項目Item | 規格Specifications |
步距角精度Step Angle Accuracy | ± 5% (full step, no load) |
電阻精度Resistance Accuracy | ± 10% |
電感精度Inductance Accuracy | ± 20% |
溫升Temperature Rise | 80°C Max. (rated current, 2 phase on) |
環境溫度Ambient Temperature | - 10°C ~ +50°C |
絕緣等級Insulation Class | B |
介電強度Dielectric Strength | 500 VAC for one minute |
型號 Model No. | 電壓 Rated Voltage | 電流 Current | 電阻 Resistance | 電感 Inductance | 最大靜力矩Holding Torque | 引出線 # of Leads | 轉動慣量Rotor Inertia | 重量Weight | 機身長度Length |
V | A | W | mH | Kg-cm | g-cm2 | Kg | mm | ||
42BYG9013 | 6 | 0.6 | 10 | 9.5 | 1.58 | 6 | 38 | 0.22 | 34 |
42BYG9102 | 2.8 | 1.68 | 1.65 | 3.8 | 3.6 | 4 | 55 | 0.28 | 40 |
42BYG9404 | 2.8 | 1.68 | 1.65 | 4.8 | 4.4 | 4 | 80 | 0.35 | 48 |
42BYG9407 | 6 | 0.8 | 7.5 | 9.2 | 3.17 | 6 | 80 | 0.35 | 48 |
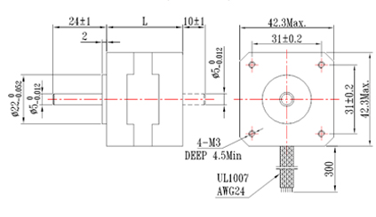
0.9° 42系列二相混合式步進電機的機械尺寸Dimensions(Unit=mm)

0.9° 42系列二相混合式步進電機的繞線圖Wiring Diagram



立即咨詢