
1.2° 42H三相混合式步進電機的技術參數General Specification
項目Item | 規格Specifications |
步距角精度Step Angle Accuracy | ± 5% (full step, no load) |
電阻精度Resistance Accuracy | ± 10% |
電感精度Inductance Accuracy | ± 20% |
溫升Temperature Rise | 80°C Max. (rated current, 2 phase on) |
環境溫度Ambient Temperature | - 10°C ~ +50°C |
絕緣等級Insulation Class | B |
介電強度Dielectric Strength | 500 VAC for one minute |
1.2° 42H三相混合式步進電機的技術規格 Technique Specifications
型號 Model No. | 電壓 Rated Voltage | 電流 Current | 電阻 Resistance | 電感 Inductance | 最大靜力矩Holding Torque | 引出線 # of Leads | 轉動慣量Rotor Inertia | 重量Weight | 機身長度Length |
V | A | W | mH | Kg-cm | g-cm2 | Kg | mm | ||
42HS0704 | 5.3 | 1.0 | 5.3 | 2.6 | 0.5 | 3 | 25 | 0.13 | 22 |
42HS2601 | 9.92 | 0.8 | 12.4 | 9.5 | 3.6 | 3 | 55 | 0.24 | 40 |
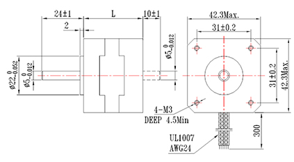
1.2° 42H三相混合式步進電機的機械尺寸Dimensions(Unit=mm)

1.2° 42H三相混合式步進電機的繞線圖Wiring Diagram

立即咨詢