
1.8° 57系列二相/四相混合式步進電機的技術參數General Specification
項目Item | 規格Specifications |
步距角精度Step Angle Accuracy | ± 5% (full step, no load) |
電阻精度Resistance Accuracy | ± 10% |
電感精度Inductance Accuracy | ± 20% |
溫升Temperature Rise | 80°C Max. (rated current, 2 phase on) |
環境溫度Ambient Temperature | - 10°C ~ +50°C |
絕緣等級Insulation Class | B |
介電強度Dielectric Strength | 500 VAC for one minute |
1.8° 57系列二相/四相混合式步進電機的技術規格 Technique Specifications
型號 Model No. | 電壓 Rated Voltage | 電流 Current | 電阻 Resistance | 電感 Inductance | 最大靜力矩Holding Torque | 引出線 # of Leads | 轉動慣量Rotor Inertia | 重量Weight | 機身長度Length |
V | A | W | mH | Kg-cm | g-cm2 | Kg | mm | ||
57BYG402 | 1.8 | 2.4 | 0.75 | 1.3 | 4 | 4 | 60 | 0.45 | 42 |
57BYG503 | 5.1 | 1.0 | 5.1 | 7 | 4.97 | 6 | 118 | 0.6 | 52 |
57BYG608 | 3.4 | 2.1 | 1.6 | 2.6 | 6.5 | 6 | 135 | 0.65 | 57 |
57BYG706 | 5.4 | 1.5 | 3.6 | 7.8 | 9 | 6 | 230 | 1.0 | 77 |
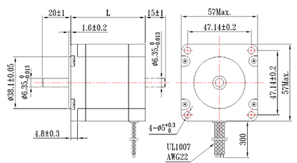
1.8° 57系列二相/四相混合式步進電機的機械尺寸Dimensions(Unit=mm)

1.8° 57系列二相/四相混合式步進電機的繞線圖Wiring Diagram



立即咨詢